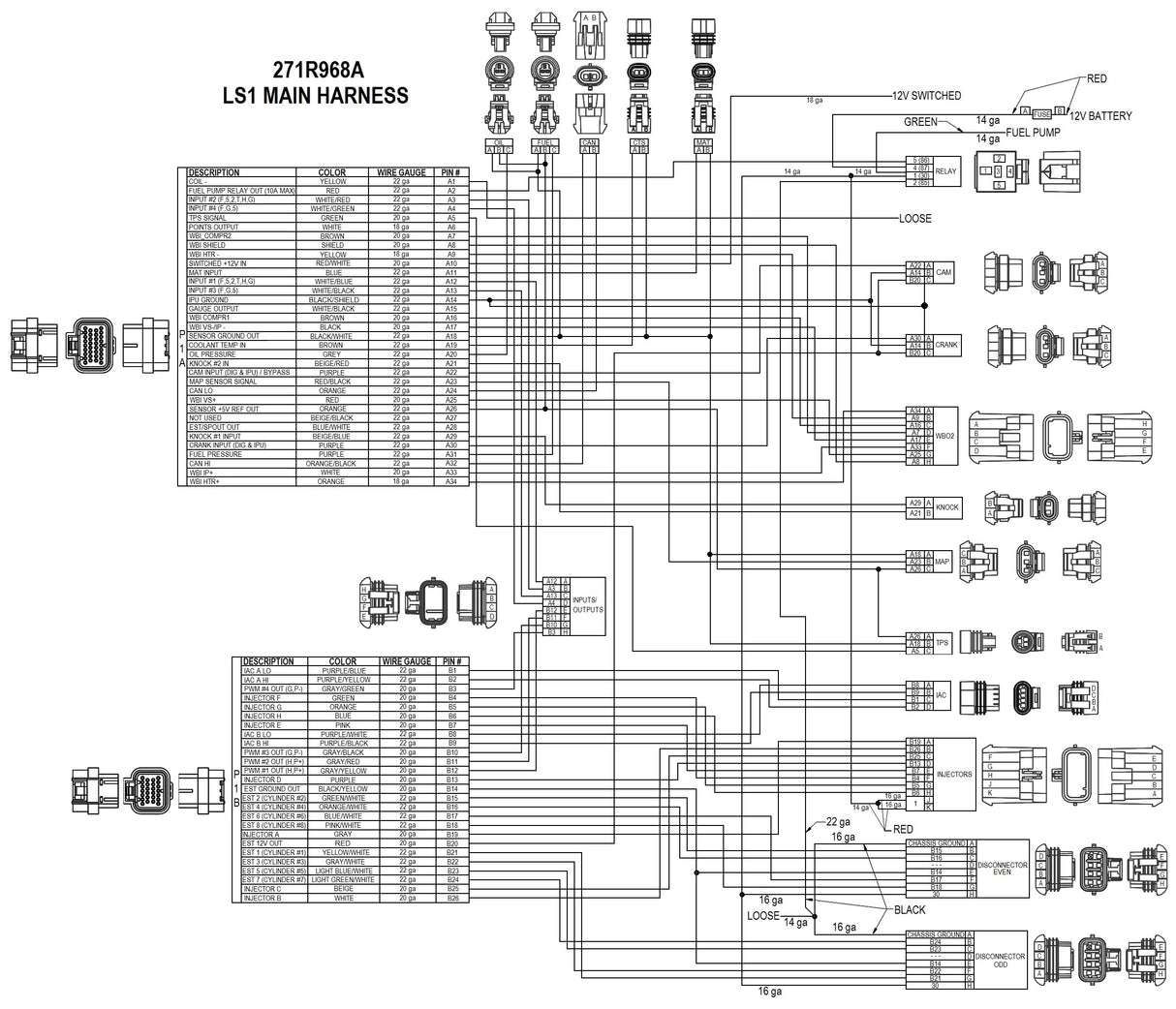
Holley EFI 558-500 - Fuel Injection Wire Harness
Couldn't load pickup availability
Description
Description
Holley EFI 558-500 - Fuel Injection Wire Harness
Fuel Injection Wire Harness; For Use w/HP Or Dominator ECU; Works w/LS1/LS6 And 24 Tooth Crank Sensor;
An EFI system depends heavily on being supplied a clean and constant voltage source. The grounds of an electrical system are just as important as the power side. Our Holley EFI Harness Kit for your GM LS engine comes complete with the main harness, power harness and injector harness to support your primary system!
- Harness Kit Includes; Main Power Harness, LS1 Main Harness & V-8 Injector harness
- Simple Installation
- Works with HP or Dominator ECU's
What are people saying about CSP?

