Holley EFI 558-102 - Fuel Injection Wire Harness
Couldn't load pickup availability
Description
Description
Holley EFI 558-102 - Fuel Injection Wire Harness
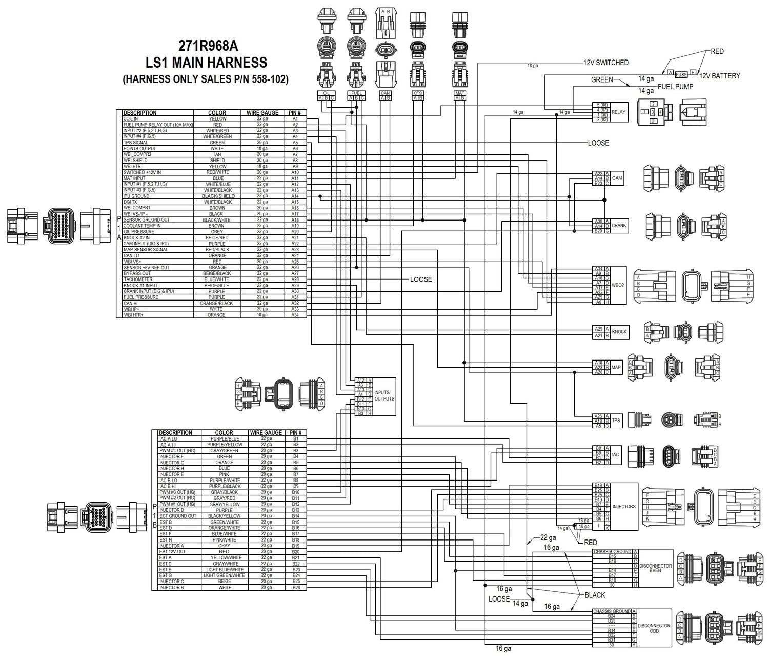
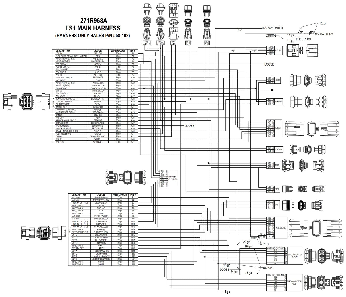
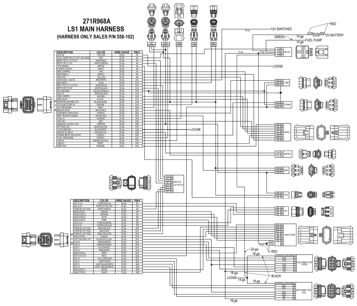
LS1/6 (24x/1x) Engine Main Harness
Fuel Injection Wire Harness; Fits w/1997-2004 LS 1/6 Engines w/24x Crank/1x Cam Sensor And w/HP EFI/ Dominator EFI Systems;
This harness is designed for LS1/6 Engines, from 1997-2004. This harness interfaces with 24x Crank and 1x Cam sensors.
- LS1 Main Harness
- For use w/PN[300-120/300-121] Dual Quad Flanges
What are people saying about CSP?


