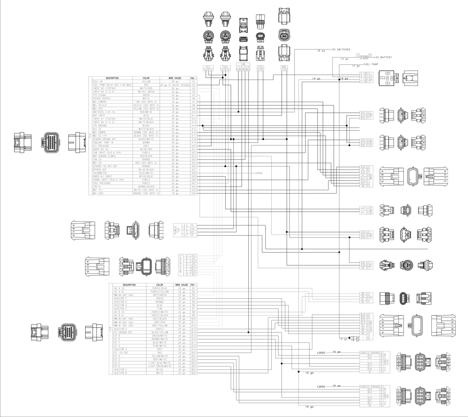
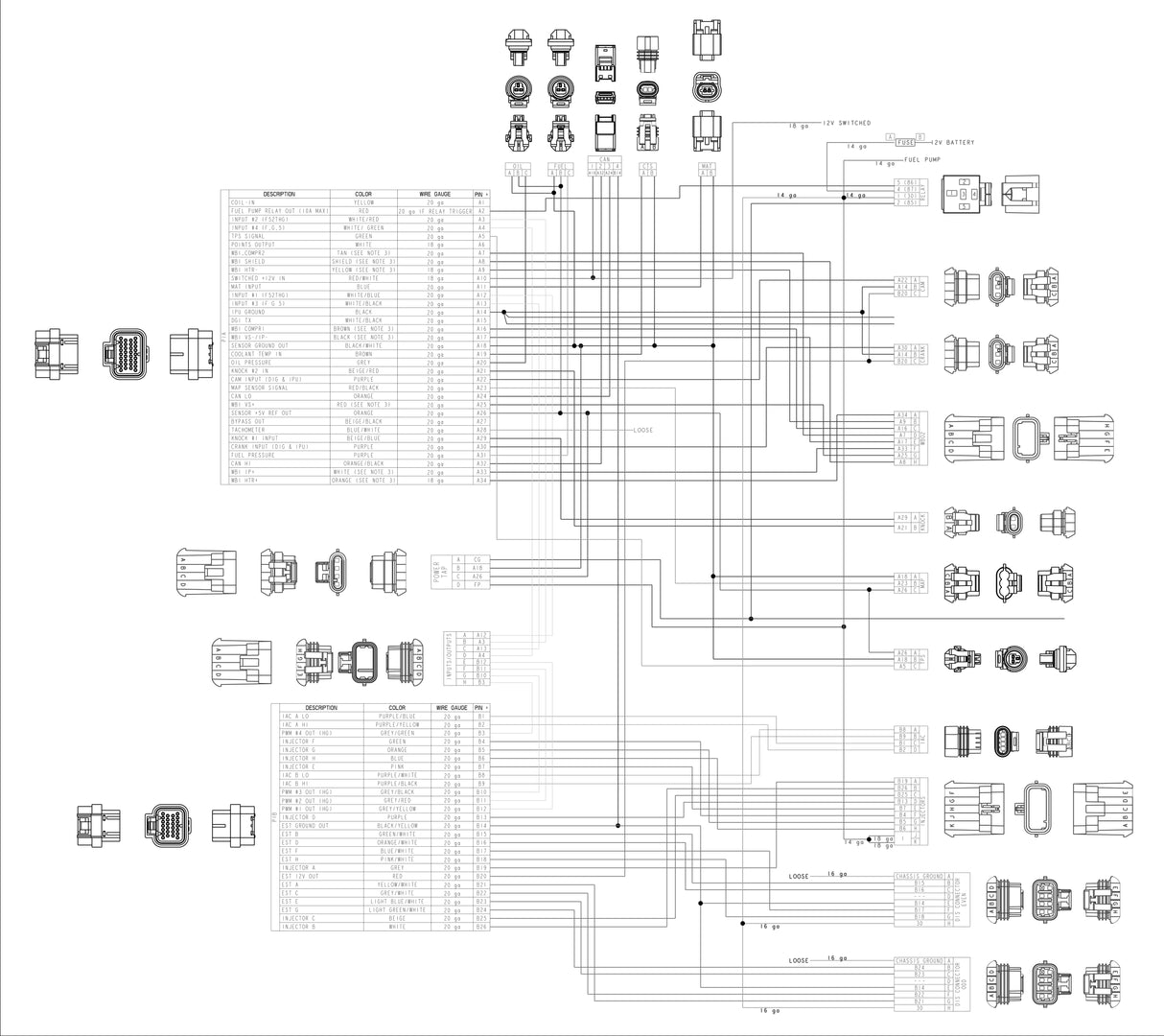
Holley EFI 558-133 - EFI LS Main Harness
Couldn't load pickup availability
Description
Description
Holley EFI 558-133 - EFI LS Main Harness
LS1/6 (24x/1x) Engine Main Harness - Extended Length
Holley EFI LS Main Harness; For Use w/24X Crank 1997-2012 LS Engines; Plug And Play; Extended Length;
This harness is designed for LS1/6 engines from 1997-2004. This harness interfaces with 24x crank and 1x cam sensors. Harness is a perfect fit for installers wanting to mount the any Holley EFI ECU inside of the passenger compartment where it is away from the elements and easy to access.
- Plug And Play With Dominator/Hp/Terminator X And Terminator X Max ECUs
- Designed For Use On 24x/1x And 58x/4x LS Engines
- 22 in. Longer Than Previous Harnesses
- Relay Breakout Is Also Moved Back From 19 in. To 43 in. From The ECU Connector
- Extended Length Allows You To Mount The ECU In A Wide Variety Of Locations
What are people saying about CSP?





